Rangkaian Latch dan Buffer



1. Soal[kembali]
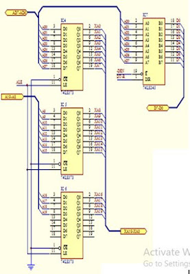
Buatlah Rangkaian dibawah pada proteus dan jelaskan prinsip kerjanya


Rangkaian latch akan selalu aktif dengan terhubungnya ke ground kaki LE maka untuk bekerjanya IC latch ini diperlukan sinyal kontrol yang di-input-kan ke kaki –OE. Pin -OE mendapat input dari pin ALE yang merupakan sinyal kontrol yang artinya pin ini akan aktif setiap mikroprosesor meng-output-kan address. Sedangkan untuk memisahkan data dengan address maka dipakai IC buffer. IC buffer diaktifkan melewati pin –E yang mendapat sinyal kontrol DEN yang artinya mikroprosesor melakukan akses data (Read atau Write). Sesudah itu IC buffer akan bekerja dengan menerima sinyal kontrol DT/-R dari mikroprosesor. Apabila mendapatkan sinyal kontrol DT yang berlogika 1 ke pin DIR dari IC buffer maka data dilewatkan dari mikrorposesor ke memori atau I-O dan sebaliknya jika sinyal kontrol –R yang berlogika 0 ke pin DIR dari IC buffer maka data dilewatkan dari memori atau I-O ke mikroprosesor.   

3. Link Download[kembali]

aa

Comments

Popular Posts